Logische Schaltungen - Speicherung
Speicherung: Daten speichern "mit Strom"
Wie geht "zählen"??
Man zählt immer einen weiter, addiert also eine 1. Ihr müsst beim Zählen aber auch immer behalten, wie weit ihr wart.
Unsere Schaltung soll auch etwas behalten können - für Zwischenergebnisse oder beim Zählen.
Wie können Schaltungen etwas "behalten"? Wenn wir bei einer der bisher besprochenen Schaltungen die Eingänge ändern, springt sie sofort um und zeigt das neue Ergebnis.
Die Idee ist "Rückkoppelung", man zieht eine Leitung vom Ausgang zurück zu einem Eingang...
Wir fangen mal mit einem ODER - Baustein an: An einem Eingang ist der Schalter (der andere ist nicht verbunden und damit automatisch auf 0), die LED zeigt das Ergebnis an:
Die Funktionsweise ist klar: Schalter an - LED leuchtet, Schalter aus - LED aus. Keine Speicherung.
Wir verbinden den Ausgang mit dem zweiten Eingang! (So etwas nennt man eine Rückkoppelungs-Schaltung).

Wenn wir jetzt den Schalter einschalten und dann wieder ausschalten, bleibt die LED an - für immer an.


Eine "Kleinigkeit" fehlt also noch: Man muss auch wieder ausschalten können.
Dazu brauchen wir sicher einen weiteren Schalter. Wir wollen aber ja jetzt zwei Zustände speichern: "AN" und "AUS".
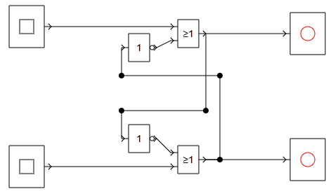
Es liegt also nahe, einen zweiten ODER - Baustein zu verwenden und sie so zu verschalten, dass immer einer "AN" ist und der andere "AUS". Das geht mit Rückkoppelungen "über Kreuz", in die ein NICHT eingabaut ist (Ausschalten).

Funktionsweise dieser Schaltung:
| Betätigung | Zustand |
| vorher: nichts, beide Schalter aus | irgendein Zustand |
| Schalter S ein | obere LED an Zustand :1 |
| Schalter S aus | bleibt 1 |
| Schalter R an | obere LED aus Zustand : 0 |
| Schalter R aus | bleibt 0 |
| von vorne ... | |
| S ein und R ein | VERBOTEN !!! |
Diese Schaltung hat einen Namen FLIPFLOP, genauer: RS-Flipflop, und es gibt sie auch als eigenen Baustein:

RS steht für die beiden Eingänge R eset und S et .
Warum ist verboten, dass an beiden Eingängen eine "1" anliegt?
- Es ist unlogisch, den Flipflop gleichzeitig auf "1" und auf "0" setzen zu wollen.
- Vor allen schafft es nicht vorhersagbare und unlogische Ausgänge; je nach Bauart kann dieser Flipflop in diesem Fall sogar ständig hin- und herspringen (vibrieren) und ist in einer größeren Schaltung dann nicht zu gebrauchen.
Ein RS-Flipflop ist ein Speicher für 1 Bit.
Ausblick:
Aus mehreren Flipflops (und zusätzlicher Schaltung) lassen sich Speicher zum Zählen bauen und Speicher für Zwischenergebnisse und RAM. Aktuell werden 64 Bit verwendet, um eine Zahl zu speichern.
Die LEDs habt ihr kennengelernt, um Ergebnisse anzuzeigen. Aus einer Vielzahl von LEDs (und entsprechender Schaltung) kann man eine LED-Matrix bauen und damit Zahlen und Zeichen anzeigen lassen. Die LED stellt ein Pixel dar, was nur an oder aus sein kann. Aktuell (iPad) sind es 2048 x 1536 Pixel mit jeweils sehr vielen Farben und Helligkeiten.